1.SOM板卡形态特征

理论最大功耗不超过50W,设计推荐工作环境温度为-25℃~85℃,推荐供电电压标称直流12V,兼容直流电压范围最小9V,最大16V供电;推荐同时使用风冷和加散热片的散热方式。如下为SOM实物图:

2.SOM板卡板载资源
征程®️5 是地平线最新推出的车规级智能芯片,其可为高阶自动驾驶和智能舱驾等应用提供足够的算力支持。征程®️5 拥有 8 颗 ARM A55 和 2 颗 BPU 推理单元(算力 128TOPS),并集成了 LPDD4/4X, PCIe Gen3, RGMII, CSI-2 MIPI RX/TX 等高速数字信号接口。芯片框图如下:

征程®️5内核规格:
CPU 规格:征程®️5 芯片采用八核 Cortex-A55 作为主控 CPU;
BPU 规格:征程®️5 芯片搭载双核BPU贝叶斯计算架构;
DSP 规格:征程®️5 芯片包含两个可编程的 Vision P6 DSP 模块,可用于 CV 计算加速;同时可以用于神经网络计算。
征程®️5芯片片内外设:
外设 | 描述 |
|---|---|
MIPI | 支持4路 MIPI CSI-2 4L RX接口, 支持2路 MIPI CSI-2 4L TX接口 |
DVP | 支持 1 路 DVP 接口 |
I2C | 支持 8 路 I2C 接口 |
SPI | 支持 4 路 SPI master 接口和 2 路 SPI slave 接口,其中有 1 路 SPI master 和 1 路 SPI slave 接口复用 |
UART | 支持 4 路 UART 接口 |
CANF-FD | 支持 4 路 CANF-FD 接口 |
Ethernet | 支持 2 路 1Gb Ethernet 接口,其中 eth0 接口支持 TSN(时间敏感网络 |
PCIe | 支持 1 路 PCIe Gen3 2Lane 接口 |
LPWM | 支持 16 LPWM 接口和 2 路 PWM 接口 |
EMMC | 支持 1 路 EMMC |
SDIO | 支持 1 路 SD/SDIO 接口 |
OSPI | 支持 1 路 OSPI 接口连接 nor/hyper/nand flash |
LPDDR | 支持 64bit LPDDR4/4X memory 接口 |
DSP | 支持 2 路 Vision P6 DSP |
Optical flow processor | 集成光流处理器 |
I2S | 支持 2 路 I2S 接口 |
(2)板载内存
类型 | 大小 | Note |
|---|---|---|
LPDDR4 | 2*4GB | 为征程 5提供必要运行空间 |
eMMC | 64GB | 存储系统软件及应用程序 |
NOR Flash | 64MB | 存储M核运行程序,也可存储一些重要数据 |
EEPROM | 512kbit | 可用于储存安全密钥 |
SD卡 | 无限制 | 可用于SD卡启动,存储数据等 |
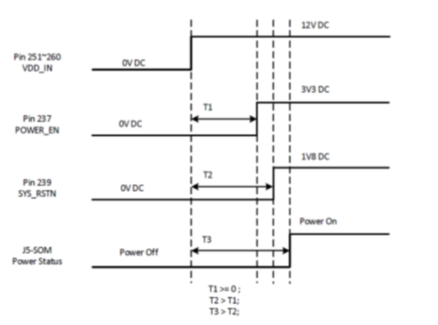
立讯LS500 uSOM模组板端已经集成了给征程®️5供电的电源管理芯片组,满足征程®️5工作时电流的di/dt要求,上下电时序要求,使用立讯LS500 uSOM模组或者基于立讯LS500 uSOM模组开发底板的时侯,只需考虑输出电源的电压,负载能力,纹波等要素,配合控制立讯LS500 uSOM板的电源使能pin即可让立讯LS500 uSOM模组正常工作。立讯LS500 uSOM模组的上下电时序如下图所示:
上电操作时序
下电操作时序(4)板卡连接器
立讯LS500 uSOM模组板端的连接器包括260pin DDR SODIMM金手指连接器,用于对征程®️5进行调试的JTAG连接器以及mini UART连接器。
3.DDR SODIMM连接器引出资源
Paramete | Value | Note |
|---|---|---|
Camera Interface | ||
MIPI CSI-2 RX | 3* MIPI CSI-2 RX interface, each with 4*LANES; | RX0,RX2,RX3 |
MIPI CSI-2 TX | 1* MIPI CSI-2 TX interface, each with 4*LANES | TX1 |
Camera Trigger | 8* Camera Trigger GPIO signals | |
Camera Error | 8* Camera Error GPIO signals | |
Interface | ||
PCIE Interface | PCIE GEN 3.0, 2*Lanes | PCIE3.0 |
Ethernet Ports | 2* RGMI | EMAC0,EMAC1 |
CAN Interface | 4*CANFD | CAN0123_FD |
I2C Interface | 8* I2C | I2C01234567 |
UART Interface | 4* UART total, and UART*1 on J5-SOM debug | UART0123 |
SPI Interface | 2* SP | SPI2,SPI3 |
I2S Interface | 2* I2S | I2S0,I2S1 |
Power VDD_IN | 10* VDD_IN pins , 12VDC , max current >= 400mA/pin | |
Ground | 10* Ground pins , max current >= 400mA/pin | |
GPIO Interface | 16*GPIO |
4.推荐应用场景
搭建算力集群,云端回灌、推理计算;
车端智能驾驶算法快速原型验证;
预研ADAS域控,搭建评估板;
无人物流车和送货车的视觉感知和控制中心;
无人机和无人机械的视觉感知和控制中心;
便携式的医疗监护和数据处理中心;
智能数据采集,监控等人工智能物联网终端;
智慧城市人工智能边缘计算单元和服务器;
智能销售,结算终端;
5.立讯LS500 uSOM系列开发板获取
扫码查看详情> > > > > > > > >

6.参考资料文献
《LS500_uSOM硬件设计指导.pdf》
地平线开发者社区> > https://developer.horizon.ai/partners/detail/26
立昇智能科技官网> > http://www.ls-ssc.com
相关技术咨询
立昇智能科技官方公众号客服咨询> > >


