前言:
ECU的车规级试验:DV试验(五:气候及防护、化学标准及测试)已发布
本文目录如下:
1. 辐射发射-ALSE法
1.1 天线系统要求
1.2 试验线束、被测件与模拟负裁
1.3 试验布置
1.4 辐射发射-ALSE法限值
2. 辐射发射-ALSE法的DV试验
2.1 DV试验要求
2.2 DV试验限值
2.3 DV试验的布置
2.4 DV试验结果的判定
2.5 EMC标准的鲜活性与重要性
#01
辐射发射-ALSE法
ALSE就是指装有吸波材料的屏蔽室,在ALSE中进行的测试就被称为ALSE法测试。标准要求辐射场强测量应在ALSE内进行,以消除电气设备以及广播台站产生的额外电磁骚扰的影响。标准同时还提出了三个注意事项,如下:
2) 车辆线束中的一条或多条导线的直接辐射,可以引起对车载接收机的电磁骚扰。骚扰源对车载接收机的耦合方式将影响测量方式和抑制骚扰的方法。
3) 若车上零部件不是通过短的接地导线进行良好接地,或零部件上包括几条携带骚扰电压的线束,则辐射发射与传导发射的相关性较差。通常来讲,零部件试验与整车试验具有较好的相关性。
1.1 天线系统要求
标准要求测量应使用具有标称50Ω输出阻抗的线性极化电场天线,标准对天线类型的要求及布置可汇总如下表所示:

标准对天线类型及布置的规定(整理:左成钢)
测量天线关于距离的要求可以汇总如下:
1) 天线的相位中心应在接地平面以上100mm±10mm处。
2) ALSE应有足够大的尺寸保证被测件及试验天线距离墙壁、天花板和吸波材料表面不小于1m。
3) 天线辐射振子的任何部分距离地面不小于250mm。
4) 线束长边(长度1500mm)与天线参考点之间距离应是1000mm±10mm。
5) 对于双锥天线,天线的任何部分与测试线束或被测件的距离都不得小于700mm。
1.2 试验线束、被测件与模拟负载
标准对试验线束长度、类型及布置的要求可汇总如下:
3) 线束类型应由实际系统的使用和要求确定,任何与标准试验线束长度的偏离等情况,都应在试验前经过确认并记录在试验报告中。
4) 当电源不是由负载箱提供时,人工网络应位于可以使电源线保持在不超过2000mm的位置。
5) 如果电源是由负载箱供电,负载箱和人工网络之间的连接线应尽可能短,以避免额外增加电源线长度。
6) 试验线束平行于参考接地平面边缘部分的长度应为1500mm±75mm。
7) 试验线束的长边应与参考接地平面的边缘平行放置,面向天线边缘的距离为100mm±10mm。
8) 被测件和模拟负载的位置要保证线束的弯曲角度如下图所示。

辐射发射:ALSE法试验线束弯曲要求(整理:左成钢)
被测件(即DUT)、线束均应放置在非导电、低相对介电常数(εr≤1.4)材料上,距接地平面上方50mm±5mm 的位置。被测件的外壳不接地,除非用于模拟实际车辆的布置。被测件最靠近接地平面前端边缘的侧面应放置在距参考接地平面前端边缘200mm±10mm处。
150kHz~30MHz的测量仅在垂直极化状态进行。
30MHz~2500MHz的测量应分别在垂直极化和水平极化状态进行。
1.3 试验布置

标准对天线类型、布置及测试方法的规定(整理:左成钢)
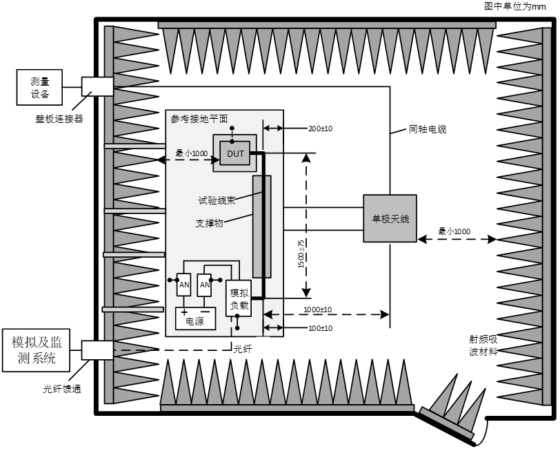
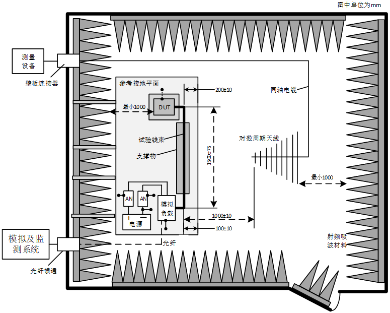
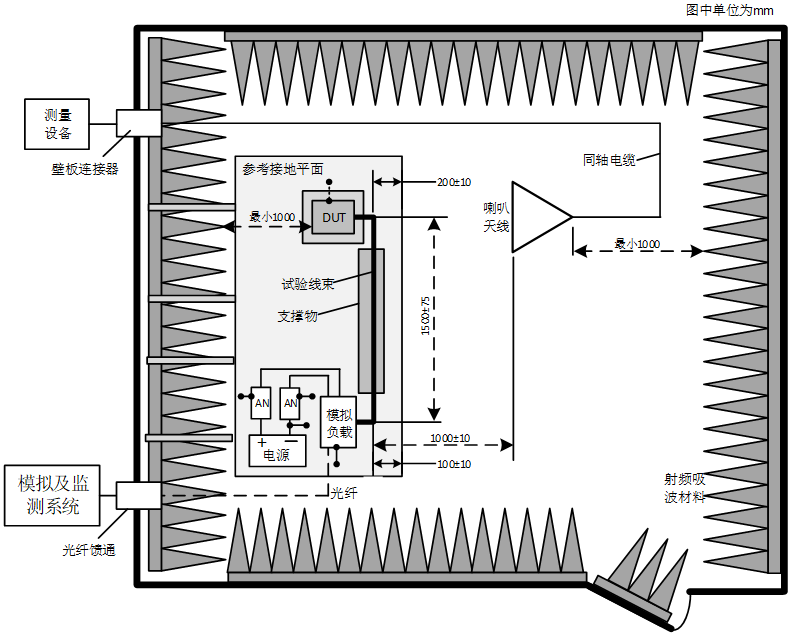
辐射发射ALSE法的4种测试频段及不同天线的试验布置分别如下图所示,图中的黑色圆点表示接地连接。

辐射发射:ALSE法试验布置示例-单极天线(整理:左成钢)

辐射发射:ALSE法试验布置示例-双锥天线(整理:左成钢)

辐射发射:ALSE法试验布置示例-对数周期天线(整理:左成钢)

辐射发射:ALSE法试验布置示例-1GHz以上(整理:左成钢)
1.4 辐射发射-ALSE法限值
根据标准规定,辐射发射-ALSE法的限值频率范围为0.15~2500MHz,关于零部件的辐射发射-ALSE法限值详见标准,以下为部分示例:

辐射发射限值(部分)- ALSE法
另外,标准还给出了零部件/模块辐射骚扰平均值限值示例,以GPS频段为例,平均值限值如下图所示:

GPS频段辐射骚扰平均值限值示例
标准同时还强调了,标准规定所用限值(频率的函数)等级应经车辆制造商和零部件供应商协商一致。也就是说,标准推荐的限值等级是可以和OEM协调更改的,或者按照OEM的要求进行测试。
#02
辐射发射-ALSE法的DV试验
如前述标准要求,辐射发射-ALSE法的DV试验需要在电波暗室ALSE(不同于传导发射要求的屏蔽室)内进行,需要用到的试验设施及设备如下图所示(来自真实DV报告):

辐射发射-ALSE法的DV试验设备(来源:孚乔图,CVC威凯)
从上图可以看出,试验在电波暗室内进行,测试需要用到人工电源网络、EMI 测试接收机等设备等,相比传导发射测试,还需要用到不同类型的天线,如双锥天线、对数周期天线等,和标准规定是一致的。
2.1 DV试验要求
DV报告中会详细规定辐射发射-ALSE法的测试要求,如下图所示,测试是在电波暗室中进行的,频率范围为0.15MHz~2500MHz,其他试验设置和我们前面讲的标准里的规定也是一致的。

辐射发射-ALSE法的测试要求(来源:孚乔图,CVC威凯)
2.2 DV试验限值
此次DV试验要求中,该DUT的辐射发射-ALSE法的限值要求如下(部分):

辐射发射-ALSE法的限值要求-部分(来源:孚乔图,CVC威凯)
2.3 DV试验的布置
按照标准要求,不同频段应使用不同的天线及不同的试验布置,标准对天线类型的要求及布置汇总如下表所示:

标准对天线类型及布置的规定(整理:左成钢)
实际的辐射发射-ALSE法的DV试验布置照片如下:

辐射发射-ALSE法的DV试验布置(来源:孚乔图,CVC威凯)
下图为人工电源网络及模拟负载的布置照片。

人工电源网络及模拟负载的布置照片(来源:孚乔图,CVC威凯)
2.4 DV试验结果的判定
和传导发射类似,辐射发射-ALSE法测试需要先测试背景噪声,然后才能进行正式测试。因该方法测试结果及图片较多,仅节选部分测试结果(200MHz~960MHz-垂直的底噪及工作模式)如下图所示。从下图可以看出,底噪及工作模式都分别进行了测试。

辐射发射-ALSE法200MHz~960MHz的试验结果(来源:孚乔图,CVC威凯)
从上图可见,底噪的裕量均在20dB以上,工作模式的各频段裕量也均在20dB以上,是满足测试标准限值要求的。
实际的DV测试结果汇总如下,共计进行了26项测试,

辐射发射-ALSE法测试结果汇总(整理:左成钢)
按标准要求,30MHz~2500MHz的测量应分别在垂直极化和水平极化状态进行,加上背景噪声(即底噪)与上电模式需要分别进行测试,所以在30MHz及以上频段,每项测试需要分别进行4次,分别是:垂直-底噪,水平-底噪,垂直-工作模式、水平-工作模式。
2.5 EMC标准的鲜活性与重要性
文章转载自公众号:汽车电子与软件
作者:左成钢
原文链接:https://mp.weixin.qq.com/s/e0H4P7a2ljsYdzeoxU3qqQ
