前言:
本文目录如下:
1. GB/T 33014介绍
1.1 一般规定
1.2 试验条件
1.3 试验的严酷等级
2. GB/T 33014.2辐射抗扰ALSE法
2.1一般规定
2.2 试验设备和试验布置要求
2.3 试验布置
2.4 试验方法
2.5 试验的严酷等级及频段
3. 辐射抗扰ALSE法的DV测试
3.1 DV试验等级及要求
3.2 辐射抗扰ALSE法的DV试验布置
3.3 结果判定
#01
GB/T 33014介绍
GB/T 33014系列试验标准如下表所示。

GB/T 33014系列试验标准(来源:左成钢《广义车规级》)
GB/T 33014系列标准与ISO标准的对应关系整理如下图:

EMC辐射抗扰相关标准(来源:左成钢《广义车规级》)
这里顺便提一下,关于零部件的标准和整车是不一样的,但是理解了零部件标准,将会有助于理解整车标准,比如关于零部件的辐射抗干扰标准是GB/T 33014,关于整车的标则是GB/T 33012,一些零部件和整车EMC标准举例如下:

一些零部件和整车EMC标准举例(来源:左成钢)
下图即为整车进行辐射抗扰度测试的照片。

十米电波暗室汽车整车辐射抗扰度测试(来源:CVC威凯)
1.1 一般规定
GB/T 33014系列标准如下,从标准名称能够看出其测试方法:
-第1部分:一般规定
-第2部分:电波暗室法(ALSE)
-第3部分:横电磁波(TEM)小室法
-第4部分:大电流注入(BCI)法
-第5部分:带状线法
-第7部分:射频(RF)功率直接注入法
-第8部分:磁场抗扰法
-第9部分:便携式发射机模拟法
-第10部分:扩展音频范围的传导抗扰法
-第11部分:混响室法
GB/T 33014系列标准试验方法的主要特性见下表:

GB/T 33014系列标准试验方法的主要特性(整理:左成钢)
1.2 试验条件
GB/T 33014系列标准的试验条件主要包括以下几方面:试验温度、试验电压、调制方式、驻留时间、频率步长、试验严酷等级的定义等。
如无特别规定,试验要求的环境温度应为(23±5)℃,试验过程中电源电压为13.5V±0.5V(12V系统)或27V±1V(24V系统)。
如无其他规定,试验要求的信号应使用以下类型:
未调制正弦波(CW)
调制频率为1kHz,调制深度为0.8的调幅正弦波(AM)
脉冲宽度为577μs,周期为4600μs的脉冲调制正弦波(PM)
调制信号的适用频率范围如下:
CW:0.01MHz~18000MHz
AM:0.01MHz~800MHz
PM:800MHz~18000MHz
关于驻留时间,标准要求在每个频点DUT暴露在试验场强下的时间应不小于控制DUT所需的最短响应时间,且在任何情况下驻留时间不得小于1s。
另外,关于频率步长,标准也有详细要求,频率步长不得超过下表的规定。

标准对频率步长的规定(整理:左成钢)
1.3 试验的严酷等级
标准要求应按频率范围定义严酷等级,关于功能特性状态分类(FPSC)的定义,GB/T 33014的附录A有详细规定,这个FPSC我们在前面介绍GB/T 21437.2标准时已经做过了介绍,GB/T 21437.2标准采用的功能特性状态分类即引用的GB/T 33014的附录A,这里就再介绍一下,加深大家对这个定义的理解。
功能特性状态分类(FPSC)考虑了以下因素:
a) 一个电子部件可包括一个或多个功能(比如,一个ECU可控制前刮水器、踏板照明灯、近光灯);
b) 一个功能可以有一个或多个工作模式(比如,近光灯ON,近光灯OFF,踏步灯ON,踏步灯OFF);
c) 一个工作模式可以有几种状态(Ⅰ、Ⅱ、Ⅲ、Ⅳ)(比如,近光灯ON工作模式,在骚扰施加期间近光灯OFF,骚扰停止后近光灯能够自动恢复,这种情况视为状态Ⅱ)。
FPSC方法基于以下原则:
一个DUT包括多个功能时,功能特性状态分类适用于每一个独立的功能;
一个功能可以有简单的ON-OFF工作模式或者是类似数据总线通信的复杂工作模式。
功能特性状态定义了DUT在试验环境下功能特性的期望目标,适于DUT的每一个独立功能,描述了试验中和试验后预期功能的工作状态。以下给出了四个功能特性状态:
- 状态Ⅰ:试验中和试验后能够完成设计功能。
- 状态Ⅱ:试验中不能完成设计功能,但试验后能够自动恢复到常态。
- 状态Ⅲ:试验中不能完成设计功能,试验后在没有驾驶员/乘客的简单操作下,无法恢复到常态,例如通过对DUT关/开,或者重新启动点火开关。
- 状态Ⅳ:试验中不能完成设计功能,试验后需要较复杂的操作才能恢复到常态,对DUT的功能不应造成任何永久性损坏。例如,断开蓄电池或供电电源后再连接。
关于FPSC的应用,标准也给出了基本示例,试验信号严酷等级和相应功能特性状态分类之间的关系如下:
试验严酷等级达到L1,表明功能特性状态应处于状态I;
试验严酷等级高于L1,表明允许功能特性状态处于状态Ⅱ;
试验严酷等级高于L2,表明允许功能特性状态处于状态Ⅲ。
标准的使用者可以将功能进行分类以使用不同的试验电平,具体的特性状态分类如下图所示:

标准对功能特性状态分类的说明(整理:左成钢)
#02
GB/T 33014.2辐射抗扰ALSE法
文章已开头我们也说过了,GB/T 33014标准一共有9个,除标准的一般规定外,8个标准均为对不同测试方法的规定,但常用也就两个:第2部分:电波暗室法(ALSE法)和第4部分大电流注入法(BCI)。下面我们就详细介绍电波暗室法(ALSE法)。
2.1 一般规定
不同于之前介绍的辐射发射ALSE法的频率范围(0.15MHz~2500MHz),辐射抗扰测试的ALSE法的频率范围为80MHz~18000MHz,这点大家要注意一下。标准要求被测装置(DUT)及其线束(原车使用的线束或标准试验线束)均在电波暗室内进行抗扰度试验,这一点和辐射发射ALSE法是一致的。DUT的外围装置可置于屏蔽壳体内或壳体外,这一点不太一样。
另外,辐射发射要求屏蔽室内的环境电磁噪声电平应比试验计划所规定的限值至少低6dB,而GB/T 33014标准则要保证在试验区域内反射能量比直射能量至少低10 dB。
既然是辐射抗扰试验,那么就需要使用天线及可产生所需要场强的射频(RF)能量源来形成辐射电磁场,标准要求一组天线和多个射频(RF)放大器来覆盖试验频率范围。为确保试验电平,应采用小型探头监测场强。为减少试验误差,DUT的工作状态通常通过光纤耦合器进行监测。
2.2 试验设备和试验布置要求
辐射抗扰ALSE法的试验设备包括:
场发生装置:在一定功率下能对DUT辐射预定场强的天线(包括大功率的平衡-不平衡变换器)
场探头:应具有电小尺寸和各向同性特征,探头的传输线应为光纤或是高阻抗的电缆。
人工网络(AN)
高频(HF)信号发生器:可以进行内部或外部调制
大功率放大器
功率计(或等效测量仪器):测量前向功率和反射功率
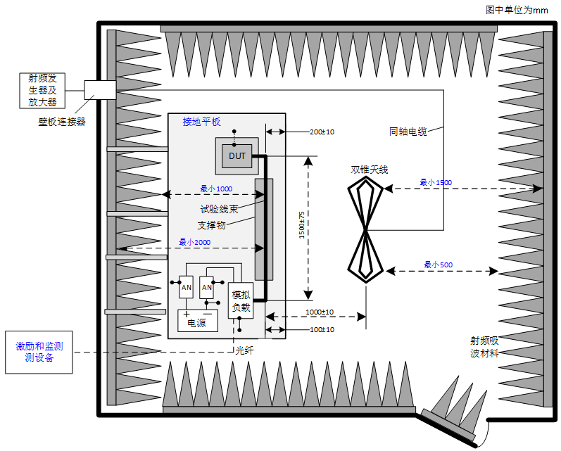
接地平板应采用至少0.5mm厚的紫铜、黄铜或者镀锌钢板。最小宽度为1000mm,最小长度为2000mm,或者比整个设备的各边大200mm,取两者中尺寸较大的平板。接地平板(试验台)的高度应位于地面上(900±100)mm处,接地平板应与屏蔽室壳体电气搭接,接地带之间的距离不得大于300mm,直流电阻不得超过2.5mΩ。
另外,每一个DUT的电源线都应经过5μH/50Ω的AN与供电电源相连。通常供电电源负极接地,如果DUT使用的供电电源是正极接地,则标准给出的试验布置需要进行相应调整。AN应直接安装在接地平板上,外壳应与接地平板搭接。电源回线应与接地平板相连(在电源和AN之间),每个AN的测量端口应接50Ω的负载,这个和之前介绍的是一致的。
关于人工网络AN,标准规定和之前我们介绍过的是一样的,包括人工网络的电路原理图、阻抗特性等,在此不再赘述,需要了解的同学们去看前面的文章介绍。
DUT远端接地(车辆电源回线大于200mm):要用两个AN,其中一个接电源正极,另一个接电源回线。
DUT近端接地(车辆电源回线不大于200mm):使用一个AN,用到电源正极上。
关于DUT的规定如下:
DUT应放置在非导电、低相对介电常数(Er≤1.4)材料上,位于接地平板上方(50±5)mm的位置;
DUT的外壳不应与接地平板相连(模拟实际车辆结构的除外);
DUT表面距离接地平板边缘(200土10)mm。这个规定和发射测试也基本一致。
关于线束及模拟负载的规定如下:
试验线束与接地平板前边缘平行部分的长度应为(1500±75)mm。
在DUT和负载模拟器之间的试验线束的总长度不应超过2000mm。
试验线束应放置在非导电、低相对介电常数材料上,位于接地平板上方(50±5)mm的位置。试验线束与接地平板边缘平行的部分距离接地平板边缘为(100±10)mm。
最好将负载模拟器直接放置在接地平板上。如负载模拟器为金属外壳,外壳与接地平板直接搭接。
如DUT引出的试验线束穿过RF界面与接地平板搭接,负载模拟器可置于接地平板附近(外壳与接地平板搭接)或实验室外。
如负载模拟器放在接地平板上,负载模拟器的直流电源线应通过AN进行连接。
上述规定基本和发射测试ALSE法的规定一致。
关于天线位置的规定如下:
天线相位中心的高度应在接地平板上方(100±10)mm的位置。天线辐射振子的任何部分距离地面不小于250mm。天线的辐射振子距离任何吸波材料都应大于500mm,与屏蔽壳体的墙壁或天花板的距离不小于1500mm。线束与天线的距离应为(1000±10)mm。这些规定大体与发射测试相同,但也有差异,比如发射测试要求试验天线距离吸波材料不小于1m,而此处则要求大于500mm。
双锥天线相位中心(中点)
对数周期天线最近的部分
喇叭天线最近的部分
频率范围在80MHz~1000MHz内的天线,其相位中心应与线束纵向部分(1500mm)的中心成一条直线。频率在1000MHz以上的天线,其相位中心应与DUT成一条直线。这个要求与辐射发射是一致的。
2.3 试验布置
标准对试验布置的规定按照天线类型及频率分为三种,分别为双锥天线、对数周期天线、1GHz以上喇叭天线,试验布置分别如下图所示:

辐射抗干扰:ALSE法试验布置示例-双锥天线(整理:左成钢)

辐射抗干扰:ALSE法试验布置示例-对数周期天线(整理:左成钢)

辐射抗干扰:ALSE法试验布置示例-1GHz以上喇叭天线(整理:左成钢)
从上面三个天线布置可见,整体布置基本和辐射发射的ALSE法相同,不同点是一些距离要求,在图中已经用蓝色字体标出,比如天线与吸波材料的距离,辐射发射要求是≥1000mm,而辐射抗扰则是≥500,同时还要求了天线与墙体的距离≥1500mm。
2.4 试验方法
如果试验整体布局与标准要求存在偏差,包括骚扰源、连接线束、线束长度等,都需要在试验前得到认可,并在试验报告中记录下来。DUT应连接典型负载,工作条件应与其在车辆上的条件一致。这些工作条件都应在试验计划里规定,以便供应商与客户进行完全相同的试验。
另外,辐射抗扰试验中DUT的方向应在试验计划中规定。标准要求频率范围在400MHz~18GHz的测试应以天线水平极化进行,频率范围在80MHz~18GHz的测试应以天线垂直极化进行。
2.5 试验的严酷等级及频段
同时,标准给出了推荐的试验严酷等级和频段,严酷等级基于前述的功能状态特性分类(FPSC),如下表所示:

标准推荐的严酷等级及频段(整理:左成钢)
#03
辐射抗扰ALSE法的DV测试
根据标准要求,辐射抗扰ALSE法在电波暗室内进行,如下图DV报告所示,测试频段为80MHz~3GHz,计划方向分为垂直和水平,采用替代法进行试验。关于替代法,想了解具体规定的同学可以去看标准,在此不再赘述,我们知道是一种测试方法即可。

辐射抗扰ALSE法测试条件(来源:孚乔图,CVC威凯)
辐射抗扰ALSE法测试需要用到的试验设施及设备会在DV报告中列出,如下图所示:

辐射抗扰ALSE法的DV试验设备(来源:孚乔图,CVC威凯)
辐射抗扰试验场地与骚扰/发射试验一样,测试需要用到的设备则有所不同,比如用到了射频信号源、函数信号发生器、功率计、功率放大器、定向耦合器等,这些都是为了模拟出射频辐射电磁场作为干扰源,进而来测试DUT的辐射抗扰特性。
3.1 DV试验等级及要求
此次DV试验中,该DUT的试验等级、要求及判定标准如下:

辐射抗扰ALSE法试验等级及判定(来源:孚乔图,CVC威凯)
由图中可见,该DUT进行了80MHz~3GHz频段的测试,试验等级为75V/m,按照标准推荐的试验严酷等级为L3级,仅次于L4的100V/m。另外,极化方向按照垂直和水平方向分别进行了测试,步进频率与驻留时间设置同标准规定也是一致的。
3.2 辐射抗扰ALSE法的DV试验布置
按照标准要求,辐射抗扰ALSE法试验布置及局部布置如下图所示,由图中可见,DUT按照不同的频段与极化方向分别进行了测试:

辐射抗扰ALSE法整体试验布置1(来源:孚乔图,CVC威凯)

辐射抗扰ALSE法整体试验布置2(来源:孚乔图,CVC威凯)

辐射抗扰ALSE法局部试验布置1(来源:孚乔图,CVC威凯)

辐射抗扰ALSE法局部试验布置2(来源:孚乔图,CVC威凯)
由图中可见,试验布置按照标准要求,DUT供电经LISN,DUT接模拟负载,DUT与模拟负载均放置于绝缘支撑物上,同时80MHz~1000MHz测试时天线对准线束中央,1GHz以上则对准DUT。
3.3 结果判定
试验结果判定如下图所示:

试验结果及判定(来源:孚乔图,CVC威凯)
由图中可见,试验中DUT的工作模式为模式1,即工作模式,试验电压为DC27V(DUT为24V系统产品),标准要求27V±1V,符合标准要求。最终试验结果为等级Ⅰ通过。
本篇主要介绍了GB/T 33014.1(一般规定)及GB/T 33014.2(辐射抗扰ALSE法)标准,GB/T 33014标准一共有9个,全部是关于辐射抗扰的,除标准第一部分外,标准的2、3、4、5、7、8、9、10共8个标准均为对不同测试方法的规定,本篇介绍了标准的第2部分:电波暗室法(ALSE法),接下来将继续介绍标准的第4部分:大电流注入法(BCI),敬请期待。
文章转载自公众号:汽车电子与软件
作者:左成钢
原文链接:https://mp.weixin.qq.com/s/TgEZUo47rqIcZ9vc2_z2wQ
